Solutions: Electric Circuits, Voltage, Ohm's Law, Power
Question 1:
A current of 60 mA flows through a wire for 1 minute,
Calculate the quantity of charge moved by the current during this time.
Answer: 3.6 C
Explanation: Charge q = I × t and 1 C = 1 A•s, and hence q = 0.06A × 60s = 3.6 C
Question 2:
A battery is used to ..................
- not to maintain a potential difference.
- maintain a potential difference.
- maintain a potential velocity.
- keep the mass the same.
Answer: maintain a potential difference.
Question 3:
Assume a resistor R is connected across a battery of negligible internal resistance.
If the resistance of R is halved, the current in R would be..................
- halfed.
- doubled.
- zero.
- the same as before.
Answer: doubled.
Explanation: We know that current I = ε / R, and so if R is halved then I would be doubled.
Question 4:
Let's consider a 9-V battery in a simple circuit generating a current of 2A through the circuit.
Calculate the power being delivered by the battery.
- 0 watt
- 9 watts
- 8 watts
- 18 watts
Answer: 18 watts
Explanation:
Power P = ε × I and so P = 9 × 2 = 18 watts
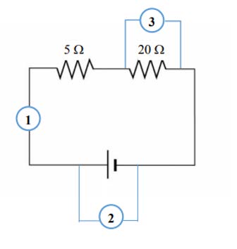
Question 5:
In the circuit shown below, which device is used to measure the electric current in the circuit?
Answer: Circuit number 1
Question 6:
Assume that a student would like to measure the voltage across one of the resistors in the circuit shown above (question 5),
the student would connect a voltmeter ..........................the resistor.
- in parallel with
- in perpendicular with
- opposite to
- in any position with
Answer: in parallel with
Question 7:
The resistance of a circuit element is a measure of ................
- the amount of work that an electron can perform.
- the ratio of the voltage difference between element ends to the current in the element.
- energy
- power
Answer: 1
Question 8:
Consider a circuit where the voltage drop across a resistor is 8.0 V for a current of 2.0 A in the resistor.
Calculate the current that will generate a voltage drop of 4.0 V across the resistor.
Answer: 1 A
Explanation: We know that current I = ε / R, and so if ε is halved then I would be also halved and so equal to 1 A.
Question 9:
Ohm's law tells us that the amount of current generated in a circuit is..........................
- directly proportional to resistance.
- directly proportional to voltage.
- directly proportional to current.
- inversely proportional to voltage.
Answer: directly proportional to voltage.
Explanation: We know that current I = ε / R.
For more details, please contact me here.